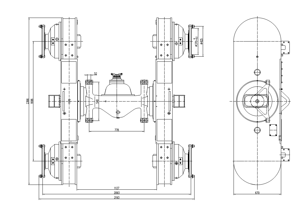
Essieu moteur de niveleuse de 200 CV
1. Carter d’essieu intégral, forte capacité portante, structure simple.
2. Réducteur principal universel, jante indépendante, facile à acheter et à assembler.
3. Structure de décélération planétaire à cinq axes, équilibre de charge d’engrenage, longue durée de vie.
4. Structure d’oscillation à roulement rotatif, longue étanchéité, performance d’étanchéité stable, capacité portante élevée.
5. Frein humide multidisque fermé, freinage stable parformance, rapide et fiable.
6. Convient pour une niveleuse de 260-270 chevaux.
Introduction
L’essieu moteur de la niveleuse de 200 CV convient aux niveleuses de 260 ~ 270 HP. Il adopte un carter d’essieu intégré et un mécanisme de réduction planétaire à cinq axes. Le caisson d’équilibre et le carter de l’essieu central utilisent une structure oscillante à roulement pivotant. Pour le freinage, il utilise un frein multidisque à bain d’huile fermé, assurant stabilité et fiabilité.
Principaux paramètres techniques :
Rapport de transmission total |
18.498 |
Couple d’entrée maximal |
5400N.m |
Vitesse de rotation maximale d’entrée |
4200r/min |
Charge nominale |
17000Kg |
Pression d’huile de frein |
8 ~ 10MPa |
Couple de freinage de chaque frein |
20000-25000N.m |
Demande d’huile pour l’essieu moteur (norme API) |
GL-5:85W/90 Huile pour engrenages (au-dessus de -12°C) |
Huile de frein |
Région froide : L-HV46 Résistant à l’usure |




